text.skipToContent text.skipToNavigation
Si actualizas tu sucursal de inicio, es posible que afecte los artículos que se encuentran actualmente en tu carrito.
Conveniencia de Recoger los artículos en tu sucursal
Los días laborables son de Lunes a Viernes
Recoger el día del pedido disponible para ciertas órdenes
Recoger en sucursal es gratis
 
Pick-Up
Las órdenes pueden ser entregadas en tu ubicación
Los días laborables son de Lunes a Viernes
Entrega el día siguiente disponible en la mayoría de órdenes
Costos de entrega bajos para la industria en todos los pedidos
 
Delivery
La mayoría de los pedidos se envían el próximo día laborable
Los días laborables son de Lunes a Viernes
Los envíos suelen tardar de1 a 3 días en tránsito
 
Shipping

Bulk Material Calculator

Calculate by measurements or square feet?

What are the dimensions of your area?

feet
feet
feet
feet
feet
feet
feet

How many square feet?

square feet

How deep do you want your fill?

feet
We recommend ordering an additional 10% for a margin of error. It's always better to have a little extra than not enough.

Include an extra 10% for waste or extra

Calculated Sub Total:
10% Extra:
Total:
Rounds To:
Area:
Weight:
CUBIC YARDS
TOTAL
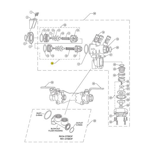
Especificaciones
Tamaño de Conexión

3/4 in.

Artículo

Valve

Tipo

Check

Regulados
No
Nombre de la marca

Zurn


El uso de este sitio está sujeto a ciertos Términos y Condiciones.Los precios de las sucursales locales pueden variar de los mostrados y los niveles de inventario no pueden ser garantizados.